Cho sơ đồ mạch điện như hình bên. Nếu số chỉ của ampe kế A1 là 0,50 A thì số chỉ của ampe kế A2 là

Hai điện trở mắc nối tiếp thì I1 = I2.
Nếu số chỉ của ampe kế A1 là 0,50 A thì số chỉ của ampe kế A2 là 0,5 A.
Cho sơ đồ mạch điện như hình bên. Nếu số chỉ của ampe kế A1 là 0,50 A thì số chỉ của ampe kế A2 là

Hai điện trở mắc nối tiếp thì I1 = I2.
Nếu số chỉ của ampe kế A1 là 0,50 A thì số chỉ của ampe kế A2 là 0,5 A.
Một đoạn mạch điện gồm hai điện trở R1 và R2 có trị số không đổi và mắc song song với nhau. Biết R1 < R2. Gọi điện trở tương đương của đoạn mạch điện này là R. Đáp án nào sau đây là đúng?
Ta có:
Do R1 < R2 nên < 1 ⇒
+ 1 > 1 ⇒
< R1
Một bếp điện có hai dây điện trở R1 và R2 . Mắc bếp vào hiệu điện thế U không đổi để đun nước. Nếu dùng R1 thì nước bắt đầu sôi sau 15 phút. Nếu dùng R2 thì nước bắt đầu sôi sau 10 phút. Nếu mắc song song R1 và R2 để đun lượng nước trên thì nước sẽ sôi sau bao nhiêu phút? Bỏ qua sự mất mát nhiệt.
Nhiệt lượng toả ra khi dùng dây điện trở R1 để đun sôi nước:
Nhiệt lượng toả ra khi dùng dây điện trở R2 để đun sôi nước:
Nhiệt lượng toả ra trên cả hai điện trở khi đun sôi nước:
Ta có, với t1 = 15 phút, t2 = 10 phút ta tính được t = 6 phút.
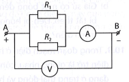
Cho sơ đồ đoạn mạch điện như hình bên. Biết R1 = 80 Ω, R2 = 60 Ω và số chỉ của vôn kế là 24 V. Số chỉ của ampe kế là

Khi đặt hiệu điện thế U giữa hai đầu một vật dẫn có điện trở R không đổi thì công suất tiêu thụ của nó là P. Nếu đặt hiệu điện thế 2U giữa hai đầu vật dẫn đó là thì công suất tiêu thụ của nó là bao nhiêu?
Công suất tiêu thụ tỉ lệ thuận với bình phương hiệu điện thế.
Nếu đặt hiệu điện thế 2U giữa hai đầu vật dẫn đó là thì công suất tiêu thụ của nó là 4P.
Bộ phận chính của bếp điện là một cuộn dây dẫn có điện trở R toả nhiệt khi có hiệu điện thế U đặt giữa hai đầu và cường độ dòng điện I chạy qua trong thời gian t. Biểu thức nào sau đây không thể dùng để tính năng lượng điện mà bếp điện tiêu thụ?
Q = UIt = I2Rt =
Khi đặt một hiệu điện thế U không đổi vào giữa hai đầu của một vật dẫn thì có cường độ dòng điện I chạy qua nó. Điện trở của vật dẫn được xác định bởi biểu thức:
Điện trở vật dẫn có giá trị là: .
Một đoạn dây dẫn xác định có điện trở R. Đặt hiệu điện thế U vào giữa hai đầu đoạn dây dẫn thì cường độ dòng điện qua đoạn dây là I. Nếu đặt hiệu điện thế
vào hai đầu đoạn dây thì cường độ dòng điện qua đoạn dây là
Cường độ dòng điện chạy qua điện trở tỉ lệ thuận với hiệu điện thế, khi hiệu điện thế giảm 2 lần thì cường độ dòng điện giảm 2 lần.
Cho sơ đồ đoạn mạch điện như hình dưới đây:

Biết R1 = 20 Ω, R2 = 40 Ω, R3 = 50 Ω và UAB = 220 V. Hiệu điện thế giữa hai đầu điện trở R2 là
I1 = I2 = I3 = I =
U2 = I2.R2 = 2.40 = 80 V
Một đoạn mạch điện gồm hai bóng đèn có cùng điện trở 100 Ω được mắc nối tiếp nhau. Hiệu điện thế giữa hai đầu đoạn mạch được giữ không đổi và bằng 40 V. Cường độ dòng điện chạy qua đoạn mạch là
Cường độ dòng điện chạy qua đoạn mạch là:
I1 = I2 = I = =
=
= 0,2 A
Mắc nối tiếp hai điện trở R1 và R2 vào đoạn mạch có hiệu điện thế U. Cường độ dòng điện chạy qua mỗi điện trở được xác định bằng biểu thức.
Điện trở tương đương của đoạn mạch là: R = R1+ R2
Cường độ dòng điện qua các điện trở là: I1 = I2 = I = =
Năng lượng điện mà đoạn mạch điện tiêu thụ được xác định bởi
Năng lượng điện mà đoạn mạch điện tiêu thụ được xác định bởi tích của hiệu điện thế đặt vào đoạn mạch với cường độ dòng điện và thời gian dòng điện chạy qua đoạn mạch.
Yếu tố nào sau đây không ảnh hưởng đến điện trở của một đoạn dây dẫn?
Trọng lượng của dây không ảnh hưởng đến điện trở của một đoạn dây.
Điện trở tương đương của đoạn mạch gồm các điện trở mắc song song
Trong đoạn mạch gồm các điện trở mắc song song, điện trở tương đương sẽ luôn nhỏ hơn các điện trở thành phần.
Một đoạn mạch điện gồm hai điện trở 20 Ω và 30 Ω mắc nối tiếp. Điện trở tương đương của đoạn mạch này là
Điện trở tương đương của đoạn mạch này là:
R = R1 + R2 = 20 + 30 = 50 Ω