Khi hít vào, không khí sẽ lần lượt đi qua các cơ quan:
Khi hít vào, không khí sẽ lần lượt đi qua các cơ quan: khoang mũi → hầu → thanh quản → khí quản → phế quản → phế nang.
Khi hít vào, không khí sẽ lần lượt đi qua các cơ quan:
Khi hít vào, không khí sẽ lần lượt đi qua các cơ quan: khoang mũi → hầu → thanh quản → khí quản → phế quản → phế nang.
Hoà tan hết 3,6 g một kim loại hoá trị II bằng dung dịch H2SO4 loãng được 3,719 lít H2 (đktc). Kim loại là:
Gọi kim loại hóa trị II là M, phương trình hóa học xảy ra là:
M + H2SO4 → MSO4 + H2
mol: 0,15 ← 0,15
Kim loại M là:
Vây kim loại M là magnesium (Mg).
Base nào là kiềm?
Base tan trong nước còn được gọi là kiềm. Ví dụ: NaOH, KOH, Ba(OH)2,...
Sản phẩm chủ yếu của hệ bài tiết là:
Sản phẩm chủ yếu của hệ bài tiết là khí carbon dioxide, mồ hôi, nước tiểu.
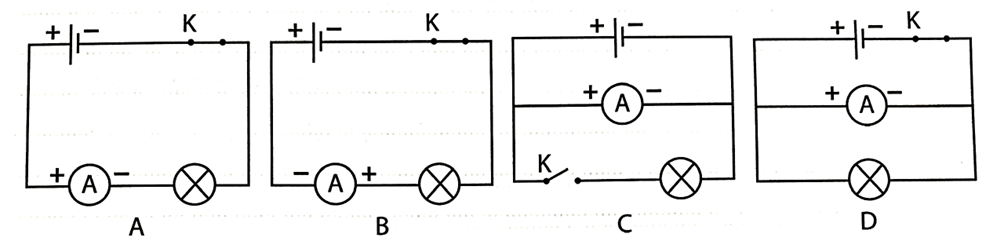
Mắc ampe kế để đo cường độ dòng điện đi qua đèn trong trường hợp nào ở hình dưới là đúng?

Để đo cường độ dòng điện, cần mắc ampe kế sao cho dòng điện cần đo trong dây dẫn đi vào chốt dương của ampe kế và đi ra khỏi chốt âm của ampe kế.
⇒ Ampe kế trong sơ đồ A được mắc đúng để đo cường độ dòng điện chạy qua bóng đèn.
Hệ thần kinh ở người không có chức năng nào dưới đây?
Hệ thần kinh ở người không có chức năng điều hòa lượng đường trong máu sau khi ăn.
Thiết bị nào được lắp trên bảng điện để bảo vệ mạch điện và đồ dùng điện?
Thiết bị được lắp trên bảng điện để bảo vệ mạch điện và đồ dùng điện là cầu chì.
Vật nào dưới đây dẫn điện?
Vật dẫn điện là vật cho dòng điện chạy qua. Các vật bằng kim loại, gỗ tươi, ... là các vật dẫn điện. Cơ thể người cũng là vật dẫn điện.
Dung dịch không màu X có pH = 10, dung dịch không màu Y có pH = 4. Khi nhỏ dung dịch phenolphthalein vào các dung dịch X, Y thì có hiện tượng:
Dung dịch không màu X có pH = 10 > 7, có môi trường base; khi nhỏ dung dịch phenophthalein sẽ chuyển sang màu hồng.
Dung dịch không màu Y có pH = 4 < 7, có môi trường acid; khi nhỏ dung dịch phenolphthalein vào Y thì không có sự chuyển màu.
Cho sơ đồ mạch điện:

Mạch điện gồm:
Mạch điện gồm: Hai pin, một cầu chì, một công tắc, một chuông điện, các dây dẫn điện.
Đâu không phải biện pháp bảo vệ tai?
Nghe nhạc to hết cỡ sẽ ảnh hưởng đến thính giác.
Trên bóng đèn Đ1 có ghi 5V. Hỏi có thể mắc đèn này vào hiệu điện thế là bao nhiêu để nó không bị hỏng?
Mỗi dụng cụ dùng điện sẽ hoạt động bình thường khi được sử dụng đúng hiệu điện thế định mức của nó. Nếu quá mức thì dụng cụ điện sẽ hỏng, chẳng hạn như dây tóc bóng đèn sẽ bị đứt
Để đèn không bị hỏng ta nên mắc nó vào hiệu điện thế 5 V.
Cho các chất có công thức: MgO, N2O5, Ca3(PO4)2, H2SO4, NaHSO4, NaOH, NaCl, Fe(OH)3. Số công thức của acid và base lần lượt là:
Acid: H2SO4.
Base: Fe(OH)3; NaOH.
Vì sao có thể loại bỏ chất cặn bã trong dụng cụ đun nước bằng cách dùng giấm ăn hoặc chanh?
Có thể loại bỏ chất cặn bã trong dụng cụ đun nước bằng cách dùng giấm ăn hoặc chanh vì trong giấm ăn và chanh có tính acid, có thể loại bỏ các chất cặn bã đó.
Con số 220V ghi trên một bóng đèn có nghĩa nào dưới đây?
Con số 220 V ghi trên một bóng đèn có ý nghĩa để đèn sáng bình thường thì hiệu điện thế ở hai đầu bóng đèn phải là 220 V.
Chọn câu trả lời sai.
Đèn điện sáng, quạt điện quay, các thiết bị điện hoạt động khi:
Đèn điện sáng, quạt điện quay, các thiết bị điện hoạt động khi có dòng điện chạy qua chúng.
Để phản ứng hết với a gam Zn cần dùng 50 ml dung dịch H2SO4 có nồng độ b M. Hỏi để phản ứng hết với a gam Zn cần tối thiểu bao nhiêu ml dung dịch HCl nồng độ b M.
Phương trình hoá học:
Zn + H2SO4 → ZnSO4 + H2↑
Zn + 2HCI → ZnCl2 + H2↑
Theo phương trình hoá học:
- 1 mol H2SO4 phản ứng với 1 mol Zn
- 2 mol HCl phản ứng với 1 mol Zn
Vậy cùng số mol Zn là số mol HCl cần dùng bằng 2 lần số mol H2SO4.
Vì 2 acid có cùng nồng dộ dung dịch là b M ⇒ thể tích dung dịch HCl cần dùng là 100 ml.
Base làm chất nào từ không màu thành màu hồng?
Dung dịch base làm quỳ tím chuyển sang màu xanh, phenolphtalein không màu sang màu hồng.
Bạn A bình thường nhìn gần thì rõ, càng xa càng mờ. Hỏi bạn A bị tật hay bệnh liên quan đến mắt nào?
Người bị cận thị sẽ gặp khó khăn trong việc nhìn và ghi nhận các chi tiết hình ảnh ở xa, phải cố gắng điều tiết để thấy rõ (bộc lộ qua động tác nheo mắt).
Hydrochloric acid có công thức hoá học là:
Hydrochloric acid có công thức hoá học là HCl.
Hormone có vai trò nào sau đây?
1. Duy trì tính ổn định của môi trường bên trong cơ thể.
2. Xúc tác cho các phản ứng chuyển hóa vật chất bên trong cơ thể.
3. Điều hòa các quá trình sinh lí.
4. Tiêu diệt các tác nhân gây bệnh xâm nhập vào cơ thể.
Hormone có vai trò:
- Duy trì được tính ổn định của môi trường bên trong cơ thể.
- Điều hòa các quá trình sinh lí diễn ra bình thường.
Khi trời quá nóng da có phản ứng:
Khi trời quá nóng da có phản ứng: Mao mạch dưới da dãn, tiết nhiều mồ hôi để đào thải nhiệt.
Từ màu sắc của giấy pH hãy so sánh giá trị pH:
Mẫu giấy 1 (M1): màu đỏ
Mẫu giấy 2 (M2): màu xanh lá
Mẫu giấy 3 (M3): màu cam
Mẫu giấy 4 (M4): màu xanh dương
Ta có thang pH:

⇒ M1 < M3 < M2 < M4.
Để điều chế dung dịch nước vôi trong người ta cho calcium oxide tác dụng với nước. Phản ứng xảy ra như sau: CaO + H2O → Ca(OH)2
Cho 0,28 g CaO tác dụng hoàn toàn với 100 g nước. Nồng độ C% của dung dịch Ca(OH)2 thu được là:
Phương trình phản ứng:
CaO + H2O → Ca(OH)2
mol: 0,005 → 0,005
Nồng độ C% của dung dịch Ca(OH)2 thu được là:
Nhận xét nào sau đây sai?
Tác dụng sinh lí của dòng điện đôi khi cũng có lợi cho cơ thể, trong y học có thể dùng để chữa bệnh.
Một người khỏe mạnh có giá trị pH của máu nằm trong khoảng:
Một người khỏe mạnh có giá trị pH của máu nằm trong khoảng: Từ 7,35 đến 7,45.
Cho dòng điện đi qua dung dịch muối copper(II) sulfate đựng trong một bình điện phân. Kết quả nào sau đây thể hiện tác dụng hóa học của dòng điện?
Ta có: Dòng điện có tác dụng hóa học, chẳng hạn khi cho dòng điện đi qua dung dịch muối copper(II) sulfate thì nó tách đồng ra khỏi dung dịch, tạo thành lớp đồng bám trên thỏi than nối với cực âm.
⇒ Tác dụng hoá học của dòng điện khi đi qua dung dịch muối copper(II) sulfate được biểu hiện ở chỗ làm biến đổi màu thỏi than nối với cực âm của nguồn điện được nhúng trong dung dịch này.
Chức năng ngoại tiết của tụy là gì?
Chức năng ngoại tiết của tuyến tụy là tiết enzyme và dịch tiêu hóa đổ vào ống tuỵ, ống tuỵ dẫn dịch tiết đổ vào đoạn đầu của ruột non.
Chức năng trao đổi O2 và CO2 được thực hiện ở
Chức năng trao đổi O2 và CO2 được thực hiện ở các phế nang ở phổi với mao mạch.
Cho 100 ml dung dịch Ba(OH)2 0,1 M vào 100 ml dung dịch HCl 0,1M. Dung dịch thu được sau phản ứng:
nBa(OH)2 = 0,1.0,1 = 0,01 (mol)
nHCl = 0,1.0,1 = 0,01 (mol)
Phương trình phản ứng xảy ra:
Ba(OH)2 + 2HCl → BaCl2 + 2H2O
mol: 1 2
mol: 0,01 0,01
Ta có:
⇒ Sau phản ứng HCl hết, Ba(OH)2 dư.
Vậy dung dịch sau phản ứng làm quỳ tím hóa xanh.